欢迎访问湖北尚固官方网站!我们为您提供湖北轻钢别墅、农村自建房定制、四合院定制、装配式房屋定制等服务。
关于我们
联系我们
收藏本站
装配式轻钢房屋生产基地
打造乡村建别墅一站式创业平台
全国24小时咨询热线
18627836393
网站首页
关于我们
公司简介
企业文化
企业荣誉
团队展示
企业实力
政策支持
集成别墅
产品优势
应用范围
施工流程
结构体系
国家标准
产品答疑
产品中心
轻钢别墅
木屋别墅
集装箱房屋
集成墙饰
铝木门窗
智能家居
室内配套
户型展示
标准户型
一层户型
二层户型
三层户型
新闻资讯
行业资讯
企业资讯
渠道合作
合作条件
合作优势
合作支持
合作答疑
施工培训
联系我们
联系方式
招贤纳士
标准户型
一层户型
二层户型
三层户型
当前位置:
首页
>
户型展示
>
二层户型
INDUSTRY INFORMATION
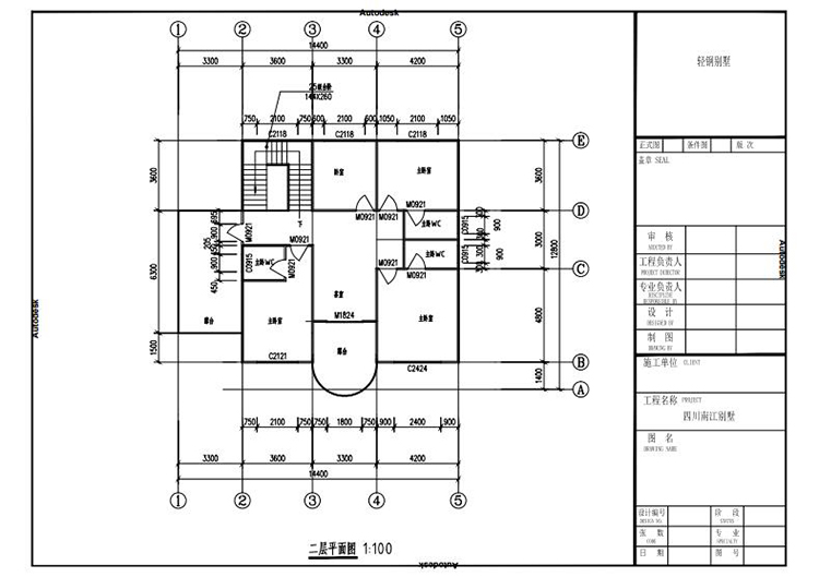
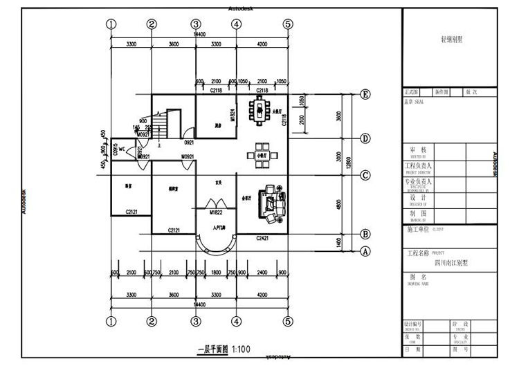
二层户型
轻钢别墅系列之二层户型
来源:admin
作者:湖北轻钢结构别墅定制厂家
时间:2020-07-23
阅读量:
上一篇:
轻钢别墅系列之二层户型
下一篇:
轻钢别墅系列之二层户型
返回 >